Press ENTER to search or ESC to close

Details
Features
Accessories
Waste fittings
Alternatives
Details
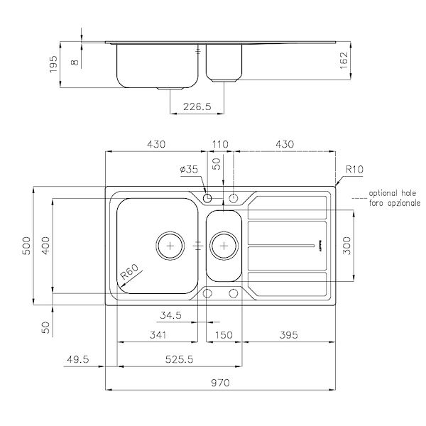
Code product
5197061
Edge/Installation Type
Standard (8 mm Edge)
Finish
Foster brushed
Material
AISI 304 stainless steel
Texture
Foster brushed
Base
60 cm
Dimensions
970 x 500 mm
Standard fittings
Fixing hooks, gasket, drain, overflow and siphon, boxed packing
Mixer holes
1 standard hole - 2nd and 3rd on request
Built-in hole
950 x 480 mm
Drainer
Yes
Width
97 cm
Bowl dimension
341x400 + 150x300 mm
Number of bowls
2 bowls
Waste fitting
3,5" drain
Features
Added valueAdded value
Foster uses steel thicknesses higher than those used on average by other manufacturers. This is how, thanks to our long experience, we know how to make sinks of superior quality and with a better resistance to aging.
ADDITIONAL HOLES AVAILABLEADDITIONAL HOLES AVAILABLE
The sink can be customized with the execution on request of additional holes, usable for double-hole mixers, for remote controlled drains or for the installation of soap dispensers. The positions are marked on the drawings with dotted line holes.
Basket 3,5 waste fittingBasket 3,5" waste fitting
The drain is equipped with a large 3.5" drain, with the practical basket cap that prevents the discharge of solid parts.
Sliding bracketsSliding brackets
Elettra

Sink Elettra

Bowl on the right

5197 061
Share